航順MCU-RTC PC13 推挽輸出時會影響LSE精度
RTC PC13 推挽輸出時會影響LSE 精度描述:
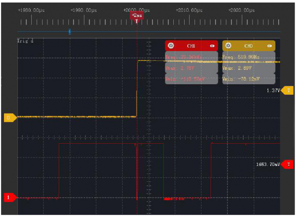
當RTC 使用LSE 作為時鐘,并使用PC13 作為信號輸出時。每次輸出的上升沿(如下圖), 都會有干擾耦合到LSE 上,導致LSE 多產生一次時鐘。進而導致RTC 計
時不準。同樣, 秒脈沖輸出和鬧鐘輸出時都會有同樣的影響。
//例如,
當RTC calibration 按照64 分頻輸出512Hz 信號時,實際會因為這個原因輸出520Hz 左右。偏差約1.5%。

當RTC calibration 輸出1Hz 秒脈沖時, 會偏差1/32768 = 30.5ppm。這個偏差只會在Calibration 輸出時有, 關閉輸出后, LSE 精度恢復正常。
這會導致Calibration 不準。
解決方案:
(硬件解決方案) :
在PC13 上對VBAT 腳并連一個>=103(0.01uF)的電容. 會略微改變輸出邊沿.


如需要了解更多航順MCU產品,請聯系航順核心代理商,穎特新科技,或者掃碼聯系我們!

在之前的介紹中,我們也為大家解讀了《航順芯片HK32F030M復用SWD為通用GPIO》

編輯:zzy 最后修改時間:2022-05-16


