航順芯片HK32F030/HK32F103開發板使用說明(二)
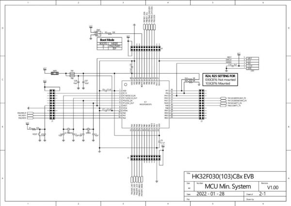
原理圖:



使用注意事項:
1、調試接口是CN1
2、芯片所有的IO口都單獨引出,與EEPROM、FLASH、CH340、QBD1044等外設相連的IO口在測試時需要用跳線帽短接。
3、JMP1跳線是選擇芯片的工作電壓是3.3V還是5V。
4、JMP2跳線是串口TX、RX的接口需要短接帽短接同時IO口、PA9、PA10也要短接串口才能收發數據。
5、JMP3跳線主控芯片HK32F030C8T6的工作電壓短接帽。
6、SW1是BOOT0的電平選擇,調試時接到GND,通過ISP下載時接到3.3V。
7、EEPROM對應的IO口是PB6、PB7調試時需要IO口短接。
8、LED1、LED2、LED3對應的IO口是LB5、PB4、PB3調試時需要將IO口短接。
9、RESET按鍵對應NRST短接后連接到復位按鍵。
10、按鍵WKUP、KEY1、KEY2對應的IO口是PA0、PA1、PA2調試時需要將IO口短接。
11、SPI FLASH的CS、SCK、MISO、MOSI對應的IO口是PB4、PB5、PB6、PB7調試時需要將IO口短接。
12、VR1電位器對應ADC的IO口是PA3調試時需要將IO口短接。
13、SW1是ISP下載BOOT選擇接口。
14、SW2是USB與CAN選擇接口。跳線帽短接到USB端PA11\PA12連接到USB接口,跳線帽短接到CAN端PA11\PA12連接到CAN接口。
如需要了解更多航順MCU產品,請聯系航順核心代理商(980010600)穎特新科技,或者掃碼聯系我們!


編輯:zzy 最后修改時間:2022-08-12


