航順芯片矩形波發生器 + 691112A
簡介:采用OLED,EC11進行交互。 可外接電路實現PWM調節。開源協議: GPL 3.0
描述
采用OLED,EC11進行交互。 可外接電路實現PWM調節。 頻率可調,占空比可調。
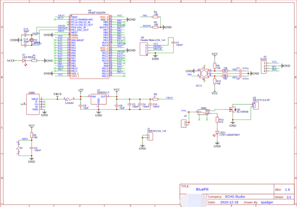
設計原理圖

pcb

如需要了解更多航順MCU產品,請聯系航順核心代理商,穎特新科技,或者掃碼聯系我們!


編輯:zzy 最后修改時間:2022-08-04

pcb

如需要了解更多航順MCU產品,請聯系航順核心代理商,穎特新科技,或者掃碼聯系我們!


編輯:zzy 最后修改時間:2022-08-04

掃碼關注我們
0755-82591179
郵箱:ivy@yingtexin.net
地址:深圳市南山區桃源街道平山社區平山一路2號南山云谷創業園二期11棟410-411

Copyright © 2014-2026 穎特新科技有限公司 All Rights Reserved. 粵ICP備14043402號-4