航順芯片HK32F103CBT6A應用于智能賽車遙控器
簡介:使用航順芯片HK32F103CBT6A嘗試開發多通道遙控器。開源協議: GPL 3.0
描述
使用航順HK32F103CBT6A制作智能賽車遙控器,此為8通道遙控器,使用遠距離傳輸模塊,能夠遙控1000米以內距離。 正面充電口帶有電源燈和充電指示燈,帶一個RGB燈和復位開關,兩側有旋鈕,2組搖桿和2組5維按鍵用來操作菜單,帶一個12864OLED屏幕。
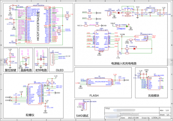
設計原理圖

pcb

如需要了解更多航順MCU產品,請聯系航順核心代理商,穎特新科技,或者掃碼聯系我們!


編輯:zzy 最后修改時間:2022-08-03


