航順芯片HK32F103xC/D/E-同步注入模式下,ADC2工作狀態不能單獨配置
HK32F103x/C/D/E是深圳市航順芯片技術研發有限公司推出的中大容量的103系列芯片。作為32位MCU常用ADC模塊,在各類產品中有諸多應用,比如節省I/O引腳的按鍵檢測應用,以及各類傳感器,比如光傳感器、濕度傳感器、溫度傳感器等,把各種各樣的模擬信號轉換為電壓、電流信號,ADC模塊通過對該電壓、電流信號的精確測量,實現MCU對外部世界的精確感知,從而實現對應的應用控制。HK32F103x/C/D/E的ADC的主要特征:
● 12位分辨率
● 轉換結束、注入轉換結束和發生模擬看門狗事件時產生中斷
● 單次和連續轉換模式
● 從通道0到通道n的自動掃描模式
● 自校準
● 帶內嵌數據一致性的數據對齊
● 采樣間隔可以按通道分別編程
● 規則轉換和注入轉換均有外部觸發選項
● 間斷模式
● 雙重模式(帶2個或以上ADC的器件)
● ADC轉換時間:
─ HK32F103xx增強型產品:時鐘為56MHz時為1μs(時鐘為72MHz為1.17μs)
● ADC供電要求:2V到5.5V
● ADC輸入范圍:VREF-≤VIN≤VREF+
● 規則通道轉換期間有DMA請求產生。
HK32F103x/C/D/E的ADC的功能描述:
12位ADC是一種逐次逼近型模擬數字轉換器。它有多達18個通道,可測量16個外部和2個內部信號源。各通道的A/D轉換可以單次、連續、掃描或間斷模式執行。ADC的結果可以左對齊或右對齊方式存儲在16位數據寄存器中。
HK32F103x/C/D/E的ADC的通道選擇:
有16個多路通道。可以把轉換組織成兩組:規則組和注入組。在任意多個通道上以任意順序進行的一系列轉換構成成組轉換。例如,可以如下順序完成轉換:通道3、通道8、通道2、通道2、通道0、通道2、通道2、通道15。
● 規則組
由多達16個轉換組成。規則通道和它們的轉換順序在ADC_SQRx寄存器中選擇。規則組中轉換的總數應寫入ADC_SQR1寄存器的L[3:0]位中。
● 注入組
由多達4個轉換組成。注入通道和它們的轉換順序在ADC_JSQR寄存器中選擇。注入組里的轉換總數目應寫入ADC_JSQR寄存器的L[1:0]位中。
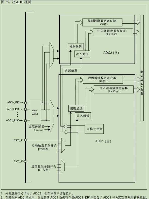
雙 ADC 模式:
在有2個或以上ADC模塊的產品中,可以使用雙ADC模式(見下圖雙ADC框圖)。在雙ADC模式里,根據ADC1_CR1寄存器中DUALMOD[2:0]位所選的模式,轉換的啟動可以是ADC1主和ADC2從的交替觸發或同步觸發。
注意:在雙ADC模式里,當轉換配置成由外部事件觸發時,用戶必須將其設置成僅觸發主ADC,從ADC設置成軟件觸發,這樣可以防止意外的觸發從轉換。但是,主和從ADC的外部觸發必須同時被激活。

HK32F103x/C/D/E有多種雙ADC工作模式,如同步注入模式、同步規則模式、快速交叉模式、慢速交叉模式、交替觸發模式、獨立模式、混合的規則/注入同步模式、混合的同步規則/交替觸發模式、混合同步注入+交叉模式。
其中同步注入模式工作機制描述如下:
此模式轉換一個注入通道組。外部觸發來自ADC1的注入組多路開關(由ADC1_CR2寄存器的JEXTSEL[2:0]選擇),它同時給ADC2提供同步觸發。
注意:不要在2個ADC上轉換相同的通道(兩個ADC在同一個通道上的采樣時間不能重疊)。
在 ADC1 或 ADC2 的轉換結束時:
● 轉換的數據存儲在每個ADC接口的ADC_JDRx寄存器中。
● 當所有ADC1/ADC2注入通道都被轉換時,產生JEOC 中斷(若任一ADC接口開放了中斷)。
注:在同步注入模式中,在ADC1和ADC2上同時采樣的兩個通道必須設置同樣的采樣時間,來保證兩個ADC的同步。
如下圖示例,為在4個通道上的同步注入模式:

HK32F103x/C/D/E在ADC使用過程中需要注意的地方:
問題描述:
在ADC1和ADC2工作在同步注入模式,ADC2的常規通道不能啟動轉換。
根本原因:
在ADC1和ADC2工作在同步注入模式,ADC2作為從模式,配置好了以后ADC2的工作狀態受ADC1控制,所以后面去配置常規通道轉換不能正常軟件啟動。這是我們芯片與S***T芯片的差異。
解決方案:
先定義和啟動ADC2的常規通道的工作狀態,再配置主從模式的ADC工作方式,這樣就能正常使用。如果遇到ADC2還不能正常啟動轉換的,可以選擇把ADC2的轉換模式改為連續掃描模式。
如需要了解更多航順MCU產品,請聯系航順核心代理商,穎特新科技,或者掃碼聯系我們!

在之前的介紹中,我們也為大家介紹了《航順芯片HK32F103xC/D/E-Timer的應用及注意事項》,也是目前我們主推的非常成熟的解決方案!

編輯:zzy 最后修改時間:2022-05-26


