鎂光256Gb NAND Flash芯片介紹
總體概述
穎特新科技帶您了解該芯片是一款典型的大容量NAND Flash存儲顆粒,支持Open NAND Flash Interface (ONFI) 2.1的接口標準,采用ONFI NANDFlash的操作協議。該芯片采用Multiple-level Cell (MLC)技術,根據不同的容量,一個芯片內部封裝了多個DIE(LUN),每個DIE由兩個Plane構成,一個Plane可以分成2048個Block,每個Block由256頁組成,一個頁的大小為8KB+448B的組織結構方式。
在性能方面,一個Page頁的讀延遲在50us左右,頁編程時間為900us,塊擦除時間長達3ms。每個塊的標稱擦除壽命達到5000次。
芯片接口及信號
鎂光的芯片支持同步和異步兩種接口模式。在異步接口模式下,采用5個控制信號,分別為#CE,CLE,ALE,#WE和#RE,另外#WP用于控制芯片的寫保護,R/#B用于檢測芯片的當前狀態。在同步操作模式下,#WR引腳為時鐘輸入信號,#RE信號為讀寫方向指示信號。
NAND Flash的接口信號具體定義如下:
一個NAND Flash物理芯片可以由多個DIE(或者稱之為LUN)的單元構成,每個DIE會有一套獨立的上述提及的控制信號線。一個DIE中會存在若干個Plane,每個Plane有許多Block單元組成,一個Block單元是一個最小的擦除單位,并且有數量較多的Page頁構成,每次寫的最小單元就是一個Page頁。對于容量較小的芯片,芯片廠商只會封裝一個DIE,每個DIE的內部結構如下圖所示:
對于鎂光512Gb芯片,一個DIE內部集成了兩個Plane,通過一套控制信號線和寄存器控制內部的兩個Plane同時并發工作。值得一提的是,多個DIE(LUN)可能會共享一套控制信號線,因此,在物理上多個DIE會被封裝成一個Target。需要注意的是,同一個Target內部的DIE雖然共享了物理信號線,但是寄存器都是相互獨立的。因此,從結構上來看,一個NAND Flash的內部架構可以只由一個DIE(LUN)構成,如下圖所示:
也可以在一個芯片中集成多個DIE(LUN),每個DIE擁有一套獨立的物理信號線,如下圖所示:
在高密的封裝中,沒有那么多的物理信號線,那么同一個Target中會集成多個DIE(LUN),如果下圖所示:
無論如何去封裝,每個DIE(LUN)中的基本結構是相同的。
NAND Flash存儲單元
NAND Flash中一個DIE(LUN)中的存儲單元通常由多個Plane構成,其結構如下:
上圖所示的一個Page頁大小為8KB,考慮到spare area的448字節空間,因此需要14位地址訪問一個page頁,即地址信號的最低14位為頁內地址。一個block塊內部有256個page頁,需要8位地址(Page address,PA)信息去訪問一個block塊內部的不同page頁。一個Plane內部存在2048個block塊,需要11位(Block address,BA)去訪問一個Plane中的不同block塊。一個DIE(LUN)中存在2個Plane,需要一位地址位去訪問一個DIE中的不同Plane。因此,40位地址信息的定義如下表所示:
CA0~CA13為頁內偏移訪問地址信息,PA0~PA7為頁地址信息,BA8為DIE中的Plane選擇地址位,BA9~BA19為DIE中的塊地址信息,另外,LA0為一個Target中的DIE(LUN)選擇地址位,在該NANDFlash芯片中,一個Target中可以集成2個DIE。
在每個Plane單元中都存在兩個寄存器:一個為cache寄存器;另一個為data寄存器。Cache寄存器的作用是緩存NAND Flash控制器輸入的數據,而data寄存器的作用是提升數據讀取和寫入的性能,數據傳輸和數據加載之間的操作。在數據讀取和數據寫入的過程中,都提供了流水并發操作模式,這類模式都充分利用了這個data寄存器。
讀寫操作時序
鎂光的NAND Flash芯片提供了兩種操作模式,一種為異步操作模式;另一種為同步操作模式。異步操作是一種比較傳統的接口模式,NAND Flash和控制器處于兩個時鐘域,所有的信號在數據傳輸過程中都需要進行同步操作,因此性能比較差。同步操作由外部提供參考時鐘,NAND Flash和控制器處于同一個時鐘域,可以獲取較高的讀寫性能。
異步操作
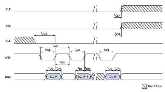
異步操作模式非常適合單片機之類的控制器對其進行操作,不需要特殊的NAND Flash控制器,普通的總線操作就可以對NAND Flash進行控制操作。異步數據寫操作的時序如下圖所示:
在#WE信號的驅動下,DQ總線上輸入對應的數據,并且在#WE信號上升沿之后需要保持tDH時間。在#WE信號上升沿驅動下,DQ總線上的數據被鎖存到NAND Flash的數據寄存器中。
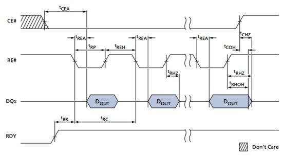
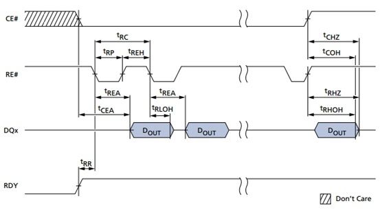
在RDY信號為高電平時,說明可以從NAND Flash指定位置中讀取數據,讀操作的時序如下圖所示:
在讀信號#RE的下降沿驅動下,數據從NAND Flash中輸出到數據總線DQ上。NAND Flash控制器可以在#RE信號的上升沿采樣數據總線DQ上的數據。當NAND Flash控制器給定的讀信號頻率較快時,通過#RE上升沿信號無法正確采樣數據總線上的數據時,可以通過下一個#RE信號的下降沿采樣總線上的輸出數據。如下圖所示:
因此,在異步總線操作時,需要考慮#RE讀信號頻率和tRC之間的時間關系。通過這個時間關系來確定具體的讀數據采樣方式。
想了解更多關于NANDFlach的信息請咨詢華邦flash代理-深圳穎特新科技。0755-82591179

編輯:simon 最后修改時間:2019-07-07














