MC14433芯片與單片機的接口
MC14433是國產的3位半A/D轉換器,是目前市場上廣為流行的最典型的雙積分A/D轉換器。MC14433具有抗干擾性好,轉換精度高,自動校零,自動極性輸出,自動量程控制信號輸出,動態字位掃描BCD碼輸出,單基準電壓,外接元件少,價格低廉等特點。但是其轉換速度慢,約1~10次每秒。在不要求高速轉換的場合,被廣泛采用。
(1)MC14433的內部結構及引腳功能
MC14433的內部結構圖如圖1所示。
<?XML:NAMESPACE PREFIX = O />
圖1 MC14433內部結構圖 圖2 MC14433引腳分布
模擬電路部分有基準電壓、模擬電壓輸入部分。
數字電路部分由邏輯控制、BCD碼及輸出鎖存器、多路開關、時鐘以及極性判別、溢出檢測等電路組成。
主要外接元件是時鐘振蕩器外接電阻RC,外接失調補償電容C0和外接積分阻容元件R1、C1。MC14433芯片的引腳分布如圖2所示。
各引腳功能如下:
l VAG:被測電壓VX和基準電壓Vref的接地端。
l Vref :外接輸入基準電壓。
l Vx:被測電壓輸入端。
l R1、R1/C1、C1:外接積分電阻R1和積分電容C1元件端,外接元件典型值:當量程為2V時,C1=0.1<?XML:NAMESPACE PREFIX = V />
F,R1=470
;當量程為200mV時,C1=0.1
F,R1=27K
。
l C01、C02:外接失調補償電容C0端,C0的典型值為0.1
F。
l DU:更新A/D轉換數據結果的控制端。當DU與EOC連接時,每次A/D轉換的結果都會被更新。
l CLK1和CLK0:時鐘振蕩器外接電阻RC端。RC的典型值為470K
,時鐘頻率隨著RC的增加而下降。
l Vee:模擬部分的負電源端,接-5V。
l Vss:除CLK0端外,所有輸出端的低電平基準(數字地)。
l EOC:轉換周期結束標志輸出。
l
:過量程標志輸出,平時為高電平。當
時,
端輸出低電平。
l DS1~DS4:多路選通脈沖輸出端。
l Q0~Q3:BCD碼輸出數據線。其中Q0為最低位,Q3為最高位。
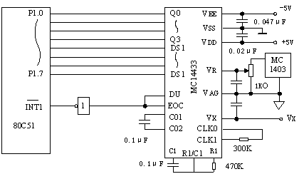
(2)MC14433與單片機80C51的接口
MC14433與單片機80C51的接口電路如圖3所示。

圖3 MC14433與單片機80C51的接口電路

編輯:admin 最后修改時間:2023-06-28


