A/D轉換器的基本知識
1.概述
A/D 轉換器用以實現模擬量向數字量的轉換。 按轉換原理可分為 4 種 : 計數式、 雙積分式、逐次逼近式以及并行式 A/D 轉換器。
逐次逼近式 A/D 轉換器是一種速度較快 , 精度較高的轉換器 , 其轉換時間大約在幾微秒到幾百微秒之間。
逐次逼近式 A/D 轉換器基本原理

2.A/D 轉換器的主要技術指標
(1)分辨率
使輸出數字量變化一個相鄰數碼所需輸入模擬電壓的變化量。常用二進制的位數表示。
例如 :12 位 ADC 的分辨率就是 12 位,一個 10V 滿刻度的 12 位 ADC 能分辨輸入電壓變化最小是 : 10V × 1/212=2.4mV
(2)量化誤差
(3)偏移誤差
(4)滿刻度誤差
(5)線性度
(6)絕對精度
(7)轉換速率
3.典型 A/D 轉換器芯片 ADC0809 簡介
ADC0809 是 8 位 A/D 轉換器。分辨率 8 位,帶 8 個模擬量輸入通道,有通道地址譯碼鎖存器,輸出帶三態數據鎖存器。




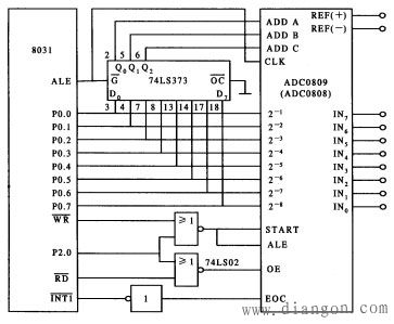
ADC0809 與 8031 的中斷方式 接口電路
這里將 ADC0809 作為一個外部擴展的并行 I/O 口 , 直接由 8031 的 P2.0 和 WR 脈沖進行啟動。因而其端口地址為 0FEFFH 。用中斷方式讀取轉換結果的數字量 , 模擬量輸入通道選擇端 ADD A、 ADD B、 ADD C 分別與 8031 的 P0.0、 P0.1、 P0.2 直接相連 , CLK 由 8031 的 ALE 提供。 其讀取通道 0 轉換后的數字量程序段如下 :
ORG 1000H
INADC: SETB IT1 ; INT1 設為邊沿觸發
SETB EA ; 開中斷 INT1
SETB EX1
MOV DPTR, # 0FEFFH ; 端口地址送 DPTR
MOV A, # 00H ; 選擇 0 通道輸入
MOVX @DPTR, A ; 啟動輸入
…
ORG 0013H
AJMP PINT1
PINT1: …
MOV DPTR, # 0FEFFH ; 端口地址送 DPTR
MOVX A, @DPTR ; 讀取 IN0 的轉換結果
MOV 50H, A ; 存入 50H 單元
MOV A, # 00H
MOVX @DPTR, A ; 啟動 A/D, IN0 通道輸入并轉換
RETI ; 返回

編輯:admin 最后修改時間:2024-07-04


