電容傳感器寄生電容干擾的產生原因及消除方法
分析了電容傳感器寄生電容存在的主要原因,以及消除寄生電容干擾的幾種方法:主要采用驅動電纜技術、運算放大器驅動技術、整體屏蔽技術、集成組合技術來減小寄生電容,以提高傳感器的性能。
電容式傳感器具有結構簡單,靈敏度高,溫度穩定性好,適應性強,動態性能好等一系列優點,目前在檢測技術中不僅廣泛應用于位移、振動、角度、加速度等機械量的測量,還可用于液位、壓力、成份含量等熱工方面的測量中。但由于電容式傳感器的初始電容量很小,一般在皮法級,而連接傳感器與電子線路的引電纜電容、電子線路的雜散電容以及傳感器內極板與周圍導體構成的電容等所形成的寄生電容卻較大,不僅降低了傳感器的靈敏度,而且這些電容是隨機變化的,使得儀器工作很不穩定,從而影響測量精度,甚至使傳感器無法正常工作,所以必須設法消除寄生電容對電容傳感器的影響。以下對消除電容傳感器寄生電容的幾種方法進行分析。
增加初始電容值法
采用增加初始電容值的方法可以使寄生電容相對電容傳感器的電容量減小。由公式C0=ε0·εr·A/d0可知,采用減小極片或極筒間的間距d0,如平板式間距可減小為0.2毫米,圓筒式間距可減小為0.15毫米;或在兩電極之間覆蓋一層玻璃介質,用以提高相對介電常數,通過實驗發現傳感器的初始電容量C0不僅顯著提高了,同時也防止了過載時兩電極之間的短路;另外,增加工作面積A或工作長度也可增加初始電容值C0。不過,這種方法要受到加工工藝和裝配工藝、精度、示值范圍、擊穿電壓等的限制,一般電容的變化值在10-3~103pF之間。
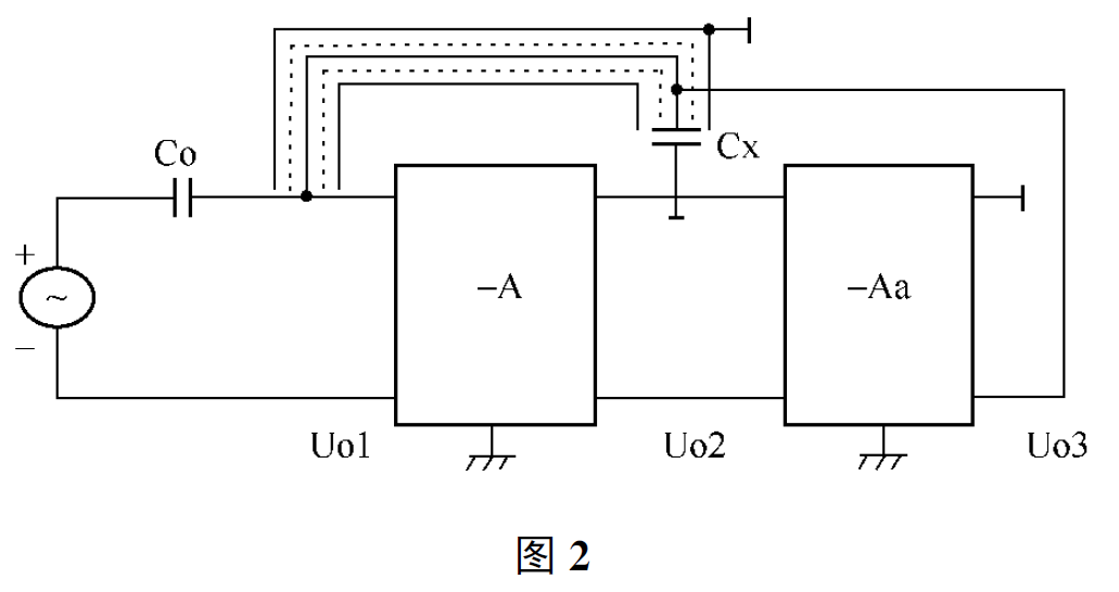
采用“驅動電纜”技術,減小寄生電容
如圖1所示:在壓電傳感器和放大器A之間采用雙層屏蔽電纜,并接入增益為1的驅動放大器,這種接法可使得內屏蔽與芯線等電位,進而消除了芯線對內屏蔽的容性漏電,克服了寄生電容的影響,而內外層之間的電容Cx變成了驅動放大器的負載,電容傳感器由于受幾何尺寸的限制,其容量都是很小的,一般僅幾個pF到幾十pF。因C太小,故容抗XC=1/ωc很大,為高阻抗元件;所以,驅動放大器可以看成是一個輸入阻抗很高,且具有容性負載,放大倍數為1的同相放大器。

圖1
運算放大器驅動法
采用“驅動電纜”法消除寄生電容,就是要在很寬的頻帶上嚴格去實現驅動放大器的放大倍數等于1,并且輸入輸出的相移為零,這是設計的難點。而采用運算放大器驅動法就可有效的去解決這一難題。如圖2所示:(-Aa)為驅動電纜放大器,其輸入是(-A)放大器的輸出,(-Aa)放大器的輸入電容為(-A)放大器的負載,因此無附加電容和Cx并聯,傳感器電容Cx兩端電壓為
Ucx= Uo1- Uo2= Uo1- ( - A·Uo1) = (1+ A)·Uo1
放大器(-Aa)的輸出電壓為
Uo 3= - Aa·Uo2= A·Aa·Uo1
實現電纜芯線和內層屏蔽電位相等,應使UCX=Uo3,于是可以得到:(1+A)*Uo1=A*Aa*Uo1,
即Aa= 1+1/A
算放大器驅動法無任何附加電容,特別適用于傳感器電容很小情況下的檢測電路。

圖2
整體屏蔽法
屏蔽技術就是利用金屬材料對于電磁波具有較好的吸收和反射能力來進行抗干擾的。根據電磁干擾的特點選擇良好的低電阻導電材料或導磁材料,構成合適的屏蔽體。屏蔽體所起的作用好比是在一個等效電阻兩端并聯上一根短路線,當無用信號串入時直接通過短路線,對等效電阻無影響。現就以差動電容式傳感器為例,來說明整體屏蔽法的應用。在圖3中,CX1,CX2作為差動電容,U為電源,A為放大器。整體屏蔽法是把圖中整個電橋(包含電源電纜等)一起屏蔽起來,這種方法設計的關鍵點就在于接地點的合理設置。采用把接地點放在兩個平衡電阻R1、R2之間,與整體屏蔽體共地。這樣,傳感器公用極板與屏蔽體之間的寄生電容C1與測量放大器的輸入阻抗相并聯,從而就可把C1視作為放大器的輸入電容。由于放大器的輸入阻抗應具有極大的值,C1的并聯也不希望存在,但它只是影響傳感器的靈敏度,而對其他性能無有影響。另外的兩個寄生電容C3、C4分別并聯在兩橋臂R1、R2上,這樣就會影響到電橋的初始平衡和整體的靈敏度,但是并不會影響到電橋的正常工作。因此,寄生參數對傳感器電容的影響基本上就可以消除掉。整體屏蔽法是解決電容傳感器寄生電容問題的很好的方法,其缺點就是使得結構變得比較復雜。

圖3
另外采用集成法也是消除電容傳感器寄生電容干擾的一種有效方法。這種方法就是將傳感器與電子線路的前置級一同封裝在一個殼體內,省去傳感器到前置放大級的電纜,這樣,寄生電容就可大大減小而且保持固定不變,使儀器處于穩定工作狀態。但是這種做法因為電子元器件的存在而不能在相對高溫或環境惡劣的地方正常使用。也可利用集成工藝,把傳感器和調理電路集成于同一芯片,構成集成電容傳感器。
總之,電容式傳感器的電容值都很小,一般在皮法級,連接線產生的分布電容其數值也在皮法級,從而會影響到測量精度,所以我們要求傳感器與轉換電路之間的連接線選用自身分布電容極小的高頻電纜,并盡量縮短傳感器到轉換電路之間的距離,在有條件時可以將傳感器、連接線、轉換電路整體屏蔽。

編輯:admin 最后修改時間:2017-08-14


