村田代理給您解析微、積分電路
今天村田代理穎特新科就和您講解下微分、積分電路。最簡單的微、積分電路如下所示:

從以上電路可以看到,微、積分電路其實就是在項目二電容部分講解的低通濾波電路,以及高通濾波電路。其實高通濾波和低通濾波電路是這兩個電路在交流環境下的叫法。在直流環境下,這兩個電路分別叫“積分電路”、“微分電路”。
在數學的領域中,我個人對積分的理解是:積分就是一個通過累加的方式,來實現計算總量的方法。這里可以借用教科書中很經典的例子,比如將一個圓切分成很多份,然后將這些被切分的面積累加起來,就是圓的面積。

其實積分電路的功能也是一樣的。只不過積分電路積累的是電子,而上面的例子累積的是整個圓的一小部分。而上面例子中的累積過程需要我們人工去完成,但是積分電路對電子的積分則不需要那么麻煩,其會根據實際存在的物理反應,自動完成電子的積分過程。
我們知道,我們在學習積分的數學知識時,一般學習的是積分方法,最后得到我們想要的結果。但是對于積分電路,它是一個可以直接將積分結果告訴我們的網路,所以我們一般不需要研究它的積分過程,而是研究它的積分過程,然后被我們所用。而其中比較重要的過程包括:時間以及積分量(具體時間的積分量)。簡單來說就是三個問題:1、積分電路在某段時間可以積累多少的電子?2、積分電路積累一定數量的電子需要多少時間?3、積分的規律是什么
現在我們用項目二中的延時電路來做一下舉例,電路如下:

Ps:延時電路的工作原理在項目二的電容部分有詳細的講解,在這里就不在進行詳細的闡述。
我們知道,對于延時電路的設計,我們在意的時候電容上面的電壓什么時候才能準確的積分到指定的開通電壓。
從上面這一句話“我們在意的時候電容上面的電壓什么時候才能積分到指定的開通電壓”,可以看到,我們研究的主要是兩個點,一個是“什么時候”,即“時間”。“指定電壓”,即“電子量”。同時,準確則要求我們必須要了解其積分規律。而至于它是通過什么方法進行累計的?為什么可以累計?這些問題在應用中則顯得不是很重要。
再回過頭來看看我們的積分電路,其實不就是一個RC電路嗎?所以,我們在學習積分電路時,其實主要學習的內容是:1、電容的充放電時間;2、電容的充電電壓;3、電容的充電規律。
而電容的充放電公式以及電容的充電時間公式就能夠解決1、2的內容,如下:
Vt=V0 +(V1-V0)× [1-e(-t/RC)]
t = RC × Ln[(V1 - V0)/(V1 - Vt)]
V0 為電容上的初始電壓值;
V1 為電容最終可充到或放到的電壓值;
Vt 為t時刻電容上的電壓值。則:
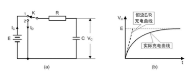
另外,電容的充電規律,無非就是一個指數函數,如下圖。

所以,積分電路,沒有想象中的難。
而對于微分,據說微分可以預測未來。同時大家應該都知道,微分電路就是積分電路的逆過程。說是這么說,但是對微分電路還是很陌生,不知道這電路能用來干嘛,更不要提預測未來了。
其實微分電路完全可以用積分電路的知識來解釋,這里就暫不擴展。

編輯:amy 最后修改時間:2019-05-20


