資深工程師講解EMC設計之接地技巧

屏蔽、濾波、接地是EMC設計中常見的三大方法,其中接地作為電路設計最基礎的內容,卻幾乎沒人能夠說得清楚,如何才能做好接地設計呢?下文由資深EMC設計工程師為您一針見血地道出接地問題的本質,分享EMC設計中的接地技巧。
幾乎每次的培訓和交流都會有人問到“老師,有沒有一種通用的接地方法可以參考啊?”答案是肯定的:“沒有”。那咋辦呢,我們總不能像中國的廚師一樣,教徒弟炒菜時,用到的配料都是“少許”“顏色微黃”“微焦”等感覺性詞語吧,當然不是。為了更好的明了接地的技巧方法,下文中將不再講究任何的文字技巧,而是一針見血的道出接地問題的本質來。
接地方式←接地目的←接地的功能,所以采取哪種接地方式,要看地是哪類地,這類地的作用目的是什么,這兩個問題解決了,接地方式則可水到渠成。
接地的目的決定了接地方式。同樣的電路,不同的目的,可能都要采取不同的接地方式。這個觀點一定記住。比如同樣的電路,用在便攜設備上,靜電累積泄放不掉,接地的目的是地電位均衡;用在不可移動的設備上,一般會有安全接地措施,對靜電泄放的接地目的是導通阻抗足夠低,尤其是對于尖峰脈沖的高頻導通阻抗。
以下講解地的注意事項分成幾個獨立的觀點分別介紹,每一條的內容雖然簡單,建議一定反復讀上N遍,象面對一杯好茶,讓心跳在60bpm以下的狀態,細細的品,感覺其中的美感和內涵。然后才可能從簡單的詞語中悟出深刻的道理來。
1、從性能分,接地分成四類:
安全接地、工作接地(數字地、模擬地、功率器件地)、防浪涌接地(雷擊浪涌、上電浪涌)、防靜電接地。
前文書中講過,“接地的目的決定了接地方式”,目的即指其實現的功能。基本上所有的接地都可以歸結到這四類里面來。每個接地前都要先明確該接地屬于哪一種。
2、接地追求的目標是地阻抗低、地穩定、地均衡。
地阻抗低很好理解,用粗的線纜即可,但有一個問題一定不能忽視,比如我通過一個大電感接地了,如果地線上跑的地電流的波動頻率是0.00000001Hz,這個大電感的感性效應表現得就很不明顯,等同于直接接地了,但如果波動電流是1000000Hz的話,感抗=jωL=j2πfL,就顯得很大了,這種情況下,相當于高頻接地很差。各位看官可能會說了,你胡來吧你,誰會用個大電感接地呢,第一是在某種狀態下會有這種方式的,第二是即使不這樣接個電感,普通電纜的走線電感在高頻下也是不容忽視的。總結為一句話,低頻接地≠高頻接地。即低阻抗的接地要分析是屬于高頻還是低頻的接地。
地穩定是比較好理解的,一般來說,接地阻抗足夠低的話,地電流瀉放容易,且不會在底線上產生啥子壓降,就如一個超大的電容,電荷的海洋,具有無限寬廣的胸懷,多少進來都波瀾不驚。
地均衡比較容易被忽視,對于一個信號來說,有用部分是兩條線上的壓差,如果地線漂移了,兩條線上對地線的壓差同等的上升或下降,即差模電壓值維持不變,共模電壓發生變化,其實電路功能是照常實現的。就像水漲船高,您比我高3cm,站在船上,船上浮了,您依然還是高我3cm。這種情況在靜電防護的時候常用到,一個靜電脈沖通過空氣打到電路板上,針對局部的電路,距離遠近的不同,肯定會導致產生靜電感應的壓差。這時候用一塊金屬板隔一下的話,即使該金屬板浮空,對金屬板后面的電路板來說,感應的將是均勻的電場,雖然感應干擾仍然存在,但起碼電路上是基本均衡的。當然如果此金屬板接地更好啦。當然共模電壓一般不會維持住,因為傳輸線的阻抗不均勻,往往會轉成差模電壓干擾,地均衡的問題最好不要讓我們面對,但沒辦法的時候,如浮地設備,不得不受到靜電沖擊的電路板,防護時候要考慮地均衡問題。
3、共地阻抗耦合干擾
共地阻抗耦合干擾是接地里面每天都要面對的核心問題,并且幾乎逃避不開。就像電影院里散場的時候,你從最里頭的一號廳出來,沒幾個人,走來很通暢,突然二號廳也散場了,一下子通道就擁擠了,再繼續前行,壞了,三號廳正在放觀眾入場,一下子,人流就波動起來了。這和共地阻抗是一個原理,通道相當于地線,人相當于電流。如果一、二、三號廳流動的人差不多,相互之間影響不太大,但如果3號廳是大廳,人員是一、二號廳的好多倍,那進出三號廳的人員將會對一、二號廳人員流動速度的影響很大。一、二、三號艇的客人都要走過的這段路就成了共地阻抗。
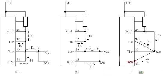
以下圖為例,圖1中,RAB段的電阻就是共地阻抗部分,流過這段的地電流Io、Ia、Id三部分在這段會相互影響;如果這三個電流差別較大,差出了1-2個數量級的話,相互之間的影響就不可以忽視了,尤其是某個弱地電流支路是用于定量測量、放大或AD轉換電路的時候;圖2則把Id對另外兩個之路的影響隔離掉了;圖3則是三個地電流全部分別隔離了。

4、較通用型的接地方法
這個標題用了個“較”字,是有原因的,因為通用的接地方法根本不存在,這只是個基礎的模型,真正使用中的時候,還需要結合實際情況靈活變通處理,就像語言,同樣一句話“你討厭”,用不同語氣講出的時候,傳遞的信息可是千差萬別。基本思路是,在設計上,把安全保護地、工作數字地、工作模擬地、工作功率地、雷擊浪涌地、屏蔽地先確保各自獨立的單獨連接,最后在系統聯調的時候,再根據各地之間要解決的問題,即根據接地的目的,將這幾個地按照下列的之間的聯接方式處理下,連接方式包括:
a地——地間黃綠導線直聯
這種接法最好理解,就是簡單的使兩個地可靠的低阻抗導通。但切記,此種接法僅限于中低頻信號電路地之間的接法。因為這類導線上有一定的走線電感和走線電阻,對高頻波動地電流,在電感作用下,電纜起到的是大阻抗的作用,相當于低頻接地,高頻下大阻抗接地了,基本不能實現高頻下的可靠導通。
b地——地間寬扁平電纜直聯
扁平電纜主要是解決上面導線直聯不能解決的問題,靜電測試工作臺的接地電纜不用直線就是這個道理,它在高頻下可以實現地阻抗對地導通。
c地——地間大電阻連接
大電阻的特點是一旦電阻兩端出現壓差,就會產生很弱的導通電流,把地線上電荷瀉放掉之后,最終實現兩端的壓差=0V,這個特點在希望電荷瀉放,但又不希望快速瀉放的時候,會表現得淋漓盡致。生產工作現場的防靜電臺墊,導通電阻一般是106-109歐,就是這個目的。防靜電臺墊相當于是工作電路板的地與保護大地間的大電阻。c地——地間電容連接電容的特性是直流截止,交流導通,對希望實現這類功能的場合可以考慮采取此方法。比如一個開關電源供電的產品,外殼和保護接地連接,里面的電路板上的地有雜亂波動干擾,但又無處瀉放的話,在24V、12V、5V等的直流電源地與保護接地間跨接大電容,波動可以被瀉放掉,但直流成分能保證是較穩的;注意,這種情況下,保護地和外殼地的穩定不能保證的話,效果可能會適得其反歐。
d地——地間磁珠連接
在這里,磁珠的特性需要明確一下,很多工程師經常把磁珠與電感劃等號,這是根本性錯誤。磁珠等同于一個隨頻率變化的電阻,它表現的是電阻特性,是耗損性質的;電感則是儲能性質的,相當于銷峰填谷。所以跨接磁珠的地之間一般是有快速小電流波動的狀態,因為磁珠會飽和,電流太大了,它消耗不了。一般用在弱信號的地——地之間。
e地——地間電感連接
電感具有抑制電路狀態變化的特性,通過電感的連接,可以銷峰填谷,對于有較大電流波動的地——地,跨接電感可以解決這個問題。
f地——地間小電阻連接
小電阻要解決的問題是增加了一個阻尼,阻礙地電流快速變化的過沖,在電流變化時候,使沖擊電流上升沿變緩,相當于晶振輸出端、總線輸出端為減少過沖振鈴的匹配電阻。
5、安全地、防雷擊浪涌接地的接法
因為雷擊浪涌、安全地的電流一般會遠大于信號電流對人的危害,這兩個接地建議分別單獨接到大地,在真正的大地處單點相接,尤其是防雷擊接地。

編輯:admin 最后修改時間:2018-01-08


